- 產品名稱:同步指示器
- 產品型號:Q144-ZSB
- 產品銘牌:SAIC
- 生產廠商:上海自一船用儀表廠
- 銷售單位:上海自動化儀表銷售中心
- 所屬類別:生產廠家 > 上海自一船用儀表廠 > 產品目錄 > 產品展示 > 測量非電量 >
-
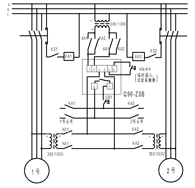
Q144-ZSB帶并車脈沖輸出型同步指示器主要用于各類電站系統中多機組并網時的檢測指示,并能在頻差小于某一設定值和相差為零前的某一設定值發出一并車指令,以實現自動并網。本產品采用發光二極管作為指示元件,與機械式同步指示器相比,具有指示醒目、靈敏、無機械磨損等特點,并具有頻差鎖定設定及并車指令導前時間設定功能,適用在各類多機組電站中使用。
用途:
用于各類電站系統中多機組并網時的檢測指示,并能在頻差小于某一設定值和相差為零前的某一設定值發出一并車指令,以實現自動并網。
本產品采用發光二極管作為指示元件,與機械式同步指示器相比,具有醒目、靈敏、無機械靡損等特點。產品具有頻差鎖定設定及并車指令導前時間設定功能,適用于各類多機組電站中使用。
主要技術性能:
儀表指示偏轉角:360°
準確度等級:1.5級(按BG/T7676-1998相關要求,僅在同步點處有精度要求)
工作電源容差:Un±10%
工作電壓:100V、220V、380V、400V
頻率:50Hz、60Hz、400Hz
功耗:不大于5VA
指令開關容量:阻性,28Vdc.10A或380Vac,5A
導前時間設定:50ms~500ms(步長30ms)
頻差閉鎖范圍:0.05Hz~0.5Hz(步長0.03Hz)
使用條件:使用環境溫度:0℃~+55℃
耐振動:頻率1~100Hz,加速度≤10rn/s2
重量:1.0kg
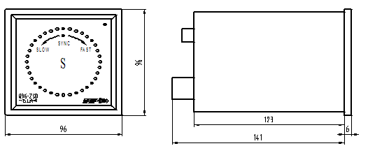
開孔尺寸:92+0.5mm×92+0.5mm

產品分類:
產品型號 | 展開角 | 外型尺寸 (A×B×C) | 開孔尺寸 (mm) | 重量 (kg) |
Q144-ZSB | 360° | 144×144×80 | 138+0.5×138+0.5 | 1.4 |
Q96-ZSB | 96×96×140 | 92+0.5×92+0.5 | 1.4 | |
Q72-ZSB | 72×72×80 | 68+0.5×68+0.5 | 1.4 |
外形尺寸圖


上一篇:Q72-ZS/G同步指示器
下一篇:Q96-ZSB同步指示器
相關產品:








