- 產品名稱:智能壓力變送器
- 產品型號:SWZ-2088系列
- 產品銘牌:連儀
- 生產廠商:上海連儀儀器儀表廠
- 銷售單位:連儀
- 所屬類別:生產廠家 > 上海連儀儀器儀表廠 > 產品目錄 > 產品展示 > 壓力(差壓)變送器 >
-
SWZ-2088系列智能壓力變送器產品描述
SWZ-2088智能壓力變送器由316L隔離膜壓力變送器、高性能微處理器、集成放大線路、高穩定恒流源組成,對傳感器非線性、溫度漂移進行修正補償,通過手操器在線調整變送器參數,實現準確的數字/數據傳輸、現場設備診斷、遠程雙向通訊等,具有精度高、穩定性好、操作方便等優點
SWZ-2088系列智能壓力變送器產品描述
SWZ-2088智能壓力變送器由316L隔離膜壓力變送器、高性能微處理器、集成放大線路、高穩定恒流源組成,對傳感器非線性、溫度漂移進行修正補償,通過手操器在線調整變送器參數,實現準確的數字/數據傳輸、現場設備診斷、遠程雙向通訊等,具有精度高、穩定性好、操作方便等優點
技術參數
量程范圍 | -0.1...0~0.01...~100MPa |
允許過載 | 小于等于額定量程的1.5倍或110MPa(取***小值) |
壓力類型 | 表壓、絕壓、密封參考壓型 |
準確度 | ±0.1% ±0.25%(典型) |
長期穩定性 | ±0.5%F.S/年 |
零點溫度漂移 | ±0.03%F.S/℃(≤100KPa) ±0.02%F.S/℃(>100KPa) |
滿度溫度漂移 | ±0.03%F.S/℃(≤100KPa) ±0.02%F.S/℃(>100KPa) |
工作溫度 | -20℃~80℃ |
貯存溫度 | -40℃~120℃ |
供電電源 | 24VDC(15~30)VDC |
輸出信號 | 模擬量:4~20mA 0~10mA 1~5VDC 0~5VDC |
數字量:HART通訊協議或RS485通訊協議數字信號傳輸 | |
壓力接口 | M20×1.5 G1/2或用戶自選 |
顯示范圍 | -1999~9999 |
安裝方式 | 垂直軸向安裝 |
外殼材質 | 不銹鋼1Cr18Ni9Ti |
膜片材質 | 316L |
O型密封圈 | 氟橡膠 |
電纜 | 聚乙烯 |
絕緣電阻 | 100MΩ 100VDC |
外殼防護等級 | IP65 |
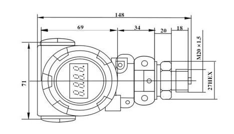
※尺寸


相關產品:











